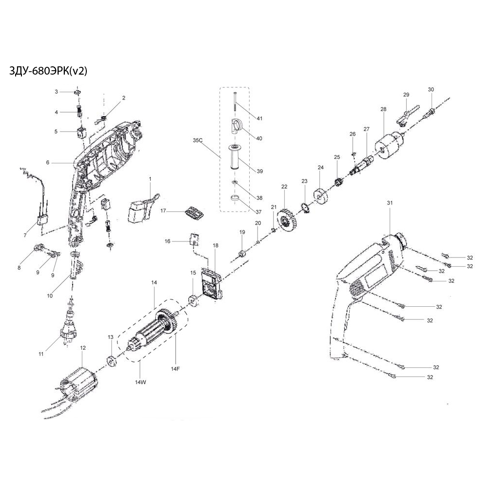
Дрель ударная + кейс ЗДУ-680ЭРК
Данная модель имеет несколько схем
N Артикул Название Срок отгрузки Цена Купить
T21
U009-620-1RS
Подшипник шариковый (32х12х10) U009-620-1RS для ЗЦПБ-370, ЗЭП-600Н, НПГ-М3-1100-С
189 р.
1
U502-780-001
Выключатель LIDA FA2-4/1BEK 4(4)A 250V~ 5E4
736 р.
1.20
U009-608-RS0
Подшипник шариковый 608-2RS (22х8х7) U009-608-RS0 для пил ЗПС-850 Э, ЗПТ-210-1300-Л
306 р.
2
U352-110-057
Катушка индукторная #Fu
92 р.
2.023
U353-110-006
Шпонка сегментная 3х10 U353-110-006 для ПБЦ-370 35П, ЗДУ-580 ЭРКМ2
92 р.
3
U352-850-029
Крышка щеткодержателя 10х10
92 р.
4
U009-626-RS0
Подшипник шариковый 626-2Z (19х6х6) U009-626-RS0 для ДУ-600, ЗДУ-580ЭР
92 р.
4
U352-850-028-W
Щетка графитовая (пара) 5х8х11
189 р.
5
U352-850-026-C
Щеткодержатель в сборе 13х13х19
92 р.
6
U502-680-006
Корпус левая часть
286 р.
7
U353-115-041
Конденсатор 0,33мкф
92 р.
8
U352-120-058
Прижим шнура #Fu
–
9
UM02-000-026
Саморез 4x17 РН2
92 р.
10
U098-001-002
Воротник шнура
92 р.
11
U099-004-005
Шнур сетевой резиновый 2х0.75мм 2м
189 р.
12
U502-680-012
Статор
1.159 р.
14
U502-680-014
Ротор D35x44.7 Z4
1.353 р.
16
U352-810-013
Планка переключения удар/сверление #Fu
92 р.
17
U502-780-017
Переключатель удар-сверление
92 р.
18
U502-780-018
Промщит с ударной панелью
383 р.
19
U252-651-011
Втулка D10 D7 h9 #Fu
189 р.
20
U201-850-020
Шарик стальной D5
84 р.
21
U352-810-009
Кольцо стопорное разрезное
92 р.
22
U502-780-022
Шестерня ударная Z43
325 р.
23
U352-810-007
Кольцо стопорное разрезное
92 р.
25
U352-102-009
Пружина h16 D14,5 4 витка #Fu
92 р.
27
U502-780-027
Шпиндель
286 р.
28
UAC-13-1/2
Патрон ключевой для дрели, 1/2, 1,5-13мм
480 р.
30
UM01-001-005
Винт M5х25 (Левая резьба)
92 р.
31
U502-680-031
Корпус правая часть
286 р.
32
UM02-000-066
Саморез 4x19 PH2
92 р.
35С
U502-780-034-C
Рукоятка дополнительная в сборе
286 р.
36
U352-810-039
Линейка-упор #Fu
92 р.
37
U502-780-036
Заглушка
–
38
UM05-000-007
Гайка M8
92 р.
39
U502-780-038
Рукоятка дополнительная
–
40
U352-810-037
Хомут рукоятки #Fu
92 р.
41
UM03-000-009
Болт M8x95 #F
92 р.